VINTAGE RACE SUPPLY
RZ500 anti dive by pass plates
RZ500 anti dive by pass plates
Couldn't load pickup availability
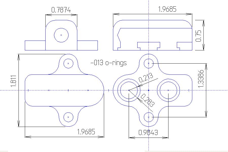
Billet 6061-T6 aluminum anti dive by pass plate kits (2) for your RZ500 or RD500lc. Remove the ineffective stock anti dive units off of your forks and pop these on for an instant suspension upgrade. CNC machined and anodized for corrosion resistance these look good and work exactly as described. the passage way machined into the units allow full flow so your suspension won't be affected any more when you grab the brakes. Kits come with stainless fasteners and O-rings. Everything you need for the installation. No modifications to the stock forks so you can switch back if your are restoring the bike to OEM specs.
I highly recommend a new set of straight rate springs with the install to really make your forks track through the corners. The stock springs are soft even when they were new. You can use the OEM single banjo bolt off of the anti dives to replace the double banjo on the brake calipers.
These will also fit the RZV500 and the FJ1100
Share
